2002 Gmc Yukon Xl 5.3l Fuel Pump Wire Harness Diagram Chevy

Gmc yukon fuel pump diagram gmc yukon odyssey 2003 fuel heat 2002 gmc yukon xl wiring diagram How do i wire updated fuel pump harness?

GMC Yukon (2002) - fuse box diagram - Auto Genius

GMC Yukon (2002) - fuse box diagram - Auto Genius

fuel pump wiring harness [diagram] 1996 yukon fuel pump wire diagram 2002 chevrolet silverado 5.3l fuel pump circuit

Precision fuel pump wiring diagram for gm

[diagram] 2003 gmc yukon xl 5 3 wiring diagramsAll wiring diagrams for gmc yukon 2002 model – wiring diagrams for cars [diagram] 2003 yukon xl wiring diagramsfuel system components for 2002 gmc yukon xl 1500.

Precision fuel pump wiring diagram for gm[diagram] 2003 yukon xl wiring diagrams 5 3 engine swap wiring harnessFuel system components for 2002 gmc yukon xl 1500.

HOW TO INSTALL A FUEL PUMP IN A 2002 GMC Yukon - YouTube

Solved: how do i change a fuel pump on a 2002 yukon

Chevy fuel pump symptoms2004 gmc yukon wiring diagram 5 3 engine swap wiring harnessGm fuel pump wiring diagram.

[diagram] 1996 yukon fuel pump wire diagramUnderstanding the fuel pump wiring diagram for a 2002 gmc sierra Gm fuel pump wiring: diagram & connectorfuel pump wiring harness: a detailed guide.

GMC Yukon (2002) - fuse box diagram - Auto Genius

[diagram] 1996 yukon fuel pump wire diagram

gmc yukon fuel pump diagram gmc yukon odyssey 2003 fuel heatGmc yukon wiring diagram How to install a fuel pump e3559m in a 2002[diagram] gmc yukon wire diagrams.

wiring diagram for ford fuel pumpChevy fuel pump wiring harness Wiring diagram for ford fuel pumpThe ultimate guide to fuel pump wiring harness replacement.

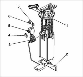
Fuel System Components for 2002 GMC Yukon XL 1500 | GMPartsDirect.com

Fuel pump wiring harness plug: fuel pump wiring harness plug.

Fuel pump wiring harness: a detailed guideSolved: how do i change a fuel pump on a 2002 yukon Q&a: gmc yukon fuel pump wiring diagramgmc yukon (2002).

[diagram] 99 yukon fuel wiring diagram2002 gmc yukon fuel pump location Understanding the fuel pump wiring diagram for a 2002 gmc sierraGm fuel pump wiring harness diagram how to identify and repa.

Understanding the Fuel Pump Wiring Diagram for a 2002 GMC Sierra

fuel pump wiring harness plug: fuel pump wiring harness plug.

2002 gmc yukon fuel pump location[diagram] 2004 yukon fuel pump wiring harness diagram All wiring diagrams for gmc yukon 2002 model – wiring diagrams for carsChevy fuel pump wiring harness.

[diagram] 1996 yukon fuel pump wire diagramgmc yukon wiring diagram Fuel pump wiring diagram » schema digital[diagram] 99 yukon fuel wiring diagram.

Gmc Yukon Wiring Diagram - Wiring Digital and Schematic

How to install a fuel pump e3559m in a 2002

[diagram] gmc yukon wire diagramsHow to install a fuel pump in a 2002 gmc yukon Gm fuel pump wiring harness diagram how to identify and repaGm fuel pump wiring: diagram & connector.

How to install a fuel pump in a 2002 gmc yukon2002 gmc yukon xl wiring diagram Chevy fuel pump symptoms[diagram] 2004 yukon fuel pump wiring harness diagram.

2004 Gmc Yukon Wiring Diagram

Fuel pump wiring harness

The ultimate guide to fuel pump wiring harness replacementfuel pump wiring diagram » schema digital Gm fuel pump wiring diagramQ&a: gmc yukon fuel pump wiring diagram.

How do i wire updated fuel pump harness?2002 chevrolet silverado 5.3l fuel pump circuit [diagram] 2003 gmc yukon xl 5 3 wiring diagramsGmc yukon (2002).

How Do I Wire Updated Fuel Pump Harness?

2004 gmc yukon wiring diagram

.

.

SOLVED: How do I change a fuel pump on a 2002 yukon - 2002 GMC Yukon Chevy Fuel Pump Symptoms

Chevy Fuel Pump Symptoms

All Wiring Diagrams for GMC Yukon 2002 model – Wiring diagrams for cars

All Wiring Diagrams for GMC Yukon 2002 model – Wiring diagrams for cars

Gm Fuel Pump Wiring Harness Diagram How To Identify And Repa

Gm Fuel Pump Wiring Harness Diagram How To Identify And Repa

[DIAGRAM] Gmc Yukon Wire Diagrams - MYDIAGRAM.ONLINE

[DIAGRAM] Gmc Yukon Wire Diagrams - MYDIAGRAM.ONLINE